Регулятор перепада давления ВРПД
|
Регулятор перепада давления прямого действия ВРПД Регулятор ВРПД применяется в системах теплоснабжения и охлаждения, холодного, горячего и оборотного водоснабжения для поддержания заданного перепада давления между подающим и обратным трубопроводом во всей системе технологической Регулятор перепада давления прямого действия ВРПД используется для поддержания заданного перепада давления между подающим и обратным трубопроводом во всей системе технологической установки. Клапан регулятора при отсутствии сигнала (энергии) нормально открыт. Регулятор перепада давления может быть использован в качестве регулятора давления «до» и «после себя». Области применения ВРПД Регулятор перепада давления прямого действия ВРПД применяется в системах теплоснабжения и охлаждения, холодного, горячего и оборотного водоснабжения, в системах сжатого воздуха с температурой рабочей среды до +150 °C и условным давлением до 1,6 МПа. Кроме того, изделие можно использовать для регулирования пара с температурой до 250 °C и условным давлением до 2,5 МПа. Принцип работы и устройство ВРПД Регулятор состоит из трёх главных элементов: клапана, привода и задатчика. Тарелка клапана разгружена от гидравлических сил. Регулятор перепада давления прямого действия ВРПД представляет собой регулирующий орган, принцип работы которого основан на уравнивании сил упругой деформации пружины настройки и силы, создаваемой разностью давлений рабочей среды в мембранных камерах привода. Клапан ВРПД в режиме работы регулирования перепада давления или давления «после себя» нормально открыт при отсутствии давления рабочей среды в системе по высокой стороне до клапана. Импульс высокого давления регулируемого перепада подается по импульсной трубке в мембранную камеру со стороны задатчика (штуцер+). Импульс низкого давления подается по импульсной трубке в мембранную камеру со стороны клапана (штуцер-). Клапан ВРПД в режиме работы регулирования давления «до себя» нормально закрыт при отсутствии давления рабочей среды в системе до клапана. Импульс давления рабочей среды до клапана подается по импульсной трубке в мембранную камеру со стороны клапана (штуцер-). Технические характеристики регулятора перепада давления прямого действия ВРПД
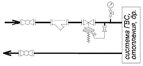
Установка регулятора ВРПД Перед регулятором рекомендуется устанавливать фильтр. Регулятор устанавливать вертикально приводом вниз или вверх. Допустимое отклонение от вертикали 20°. Импульсные трубки необходимо подключать к трубе горизонтально сбоку через шаровый кран или вентиль, что позволит отключать давление от импульсных трубок. Присоединение клапанов к трубопроводу - фланцевое. Присоединение фланцев по ГОСТ 12819-80, с размерами уплотнительных поверхностей и присоединительными размерами по ГОСТ 12815-80. Габаритные и установочные размеры ВРПД
Монтажные положения регулятора ВРПД
Схемы подключения регулятора ВРПД
|
||||||||||||||||||||||||||||||||||||||||||||||||||||||||||||||||||||||||||||||||||||||||||||||||||||||||||||||||||||||||||||||||||||||||||||||||||||||||||||||||||||||||||||||||||||||||||||||||||||||||||||||||||||||||||||||||||||||||||||||||||
установки 





