РДС-НО, РДС-НЗ, РПДС регулятор давления и регуляторы расхода
Назначение и области применения регуляторов давления / перепада давления РДС и РПДС
Не являясь запорной арматурой, регуляторы давления РДС-НЗ (до себя), а также РДС-НО (после себя) функционируют, не используя энергию постороннего источника. Применяются в качестве регуляторов давления или перепада давлений жидких или газообразных сред и пара, не оказывающих агрессивного действия на материалы, из которых изготовлен регулятор (в основном исполнении это – серый чугун СЧ-20. По заказу изготавливаются из нержавейки (12Х18Н10Т) или из стали ст25-45). Цикл изготовления соответствует ТУ СНИЦ423117.034. (фланцы соответствуют ГОСТу 12815-80).
Регуляторы давления РДС-НО(НЗ) и регуляторы расхода (перепада давлений) РПДС нашли широкое применение на различных объектах теплоэнергетики таких как тепловые пункты, промышленные установки, системы водоснабжения и прочих.
Описание и принцип действия регуляторов давления РДС-НЗ (НО) и перепада давления РПДС
По типу исполнительного механизма регуляторы РДС и РПДС можно разделить на нормально открытые НО (регулирование давления «после себя») и нормально закрытые (НЗ), когда давление регулируется «до себя».
Регулятор состоит из исполнительного механизма (сильфонный регулирующий орган, управляющий клапан, корпусные детали), импульсных трубок и измерительного механизма (сильфонный измерительный орган, механизм настройки и прочие детали).
Для регуляторов РДС-НЗ, РДС-НО импульсы регулируемого давления передаются в измерительный узел (надсильфонную полость). В регуляторах РПДС импульсы регулируемого перепада давлений (расхода) подаются в подсильфонную и надсильфонную полости измерительного механизма. Фиксированное усилие настроечной пружины в данном случае компенсируется воздействием перепада давлений на подвижном торце измерительного сильфона.
При варьировании контролируемых параметров равновесие воздействующих на сильфон сил нарушается. Это влияет на положение рабочего штока в измерительном механизме, приводя к изменению положения регулирующего клапана.
В регуляторах давления и расхода РДС и РПДС исполнительный механизм отличается тем, что в нем разорвана жесткая механическая связь между регулирующим клапаном и рабочим штоком измерительного механизма. Управляющее воздействие привода на регулирующий орган осуществляется посредством потока рабочей жидкости, протекающей через полость сильфонного регулирующего органа. Перемещение штока исполнительного механизма приводит к перемещению управляющего клапана (изменяет степень его закрытия). Как следствие, изменяется давление жидкости внутри сильфона (изменяется перепад давлений на регулирующем клапане). Это приводит к открытию или закрытию проходного сечения седла.
Основные технические характеристики регуляторов РДС-НО, РДС-НЗ, РПДС
|
Характеристики |
Значения |
||||||||||
|
Диаметры условного прохода, мм |
15 |
20 |
25 |
32 |
40 |
50 |
65 |
80 |
100 |
125 |
150 |
|
Диапазон настройки регулируемого давления, МПа |
0,025 - 0,63; 0,4 - 1,0 |
||||||||||
|
Условная пропускная способность, КN, м3/ч |
2,5 |
4 |
6,3 |
10 |
16 |
25 |
40 |
63 |
100 |
160 |
250 |
|
Условное давление, МПа |
1,6 |
1 |
|||||||||
|
Зона пропорциональности (от верхнего предела настройки), % |
10 |
||||||||||
|
Зона нечувствительности, %, не более (от верхнего предела настройки) |
1,6 |
||||||||||
|
Относительный нерегулируемый расход для газообразных сред (пара) регуляторов РДС-НО в % от КN, не более |
10 |
||||||||||
|
Относительная нерегулируемая протечка (кроме РДС-НО для газообразных сред) в % от КN, не более |
0,5 |
||||||||||
|
Температура регулируемой среды, °C |
от 0 до +225 |
||||||||||
|
Масса регуляторов, кг, не более |
5,5 |
6 |
7 |
10 |
11 |
14 |
24 |
32 |
40,5 |
69 |
77 |
|
Длина импульсной трубки, м |
2,5 |
||||||||||
|
Минимальный перепад давления на клапане, МПа |
0,1 |
||||||||||
Из таблицы видно, что регуляторы давления РДС и расхода / перепада давления РПДС имеют диаметры условного прохода от 15 до 150 мм. При этом каждому из Ду может соответствовать один из двух стандартных диапазонов настройки регулируемого давления. Отличие от регуляторов серии РД и РР состоит в более широком ряду типоразмеров и расширенных диапазонах регулирования, что делает регуляторы РПДС и РДС более универсальными при применении в теплосетях, системах водоснабжения, и прочих промышленных установках требующих автоматическое поддержание постоянства давления.
Рассматриваемые регуляторы в полной степени соответствуют приведенным выше характеристикам. Это подтверждено Сертификатом соответствия ГОСТ Р № РОСС RU.АЯ45.В04367. Также регуляторы РПДС, РДС-НЗ и РДС-НО имеют разрешение на применение в хозяйственно-питьевом водоснабжении (санитарно-эпидемиологическое заключение) и разрешение Ростехнадзора.
Оформление заказа на РДС / РПДС и его пример

|
Что необходимо указать |
Обозначение с примером заказа |
|
1. Тип регулятора |
Регулятор давления РДС с нормально открытым регулирующим клапаном, с диаметром условного прохода 50 мм, с пределами регулирования (0,025 - 0,63) МПа: |
|
2. Диаметр условного прохода Ду, мм |
|
|
3. Пределы настройки, МПа |
При работе с парообразной средой перед диаметром условного прохода в заказе ставится буква «П».
Комплектность поставки регулятора давления и регулятора расхода (перепада) давления
|
Наименование |
Обозначение |
Количество |
Примечание |
|
Регулятор давления РДС-НО или РДС-НЗ или регулятор расхода (перепада давлений) РПДС |
СНИЦ423.117.028 |
1 |
|
|
Трубка импульсная |
|
1 |
для РДС |
|
2 |
для РПДС |
||
|
Ведомость запасных частей и принадлежностей |
|
1 |
|
|
Запасные части и принадлежности |
|
комплект |
|
|
Руководство по эксплуатации |
СНИЦ423.117.028 РЭ |
1 |
|
|
Упаковочный лист |
|
1 |
|
По отдельному заказу потребителя в комплект поставки регуляторов РДС / РПДС могут включаться сетчатые фильтры аналогичного диаметра, ответные фланцы и прочие крепежные приспособления.
Запасные части к регуляторам РПДС, РДС-НЗ(НО)
По Вашей заявке мы сможем обеспечить поставку любой запасной части к данным регуляторам. Просим с пониманием отнестись к тому факту, что обработка подобных запросов зачастую требует некоторого времени, т.к. далеко не все комплектующие являются стандартной прайсовой позицией.
Срок изготовления регуляторов давления / перепада давлений РДС / РПДС
При заказе регуляторов с корпусными деталями из чугуна серого СЧ 20 срок изготовления составит 10 - 15 рабочих дней. Если необходимо исполнение из стали ст25-45 или 12Х18Н10Т (нержавейки) - до 35 рабочих дней.
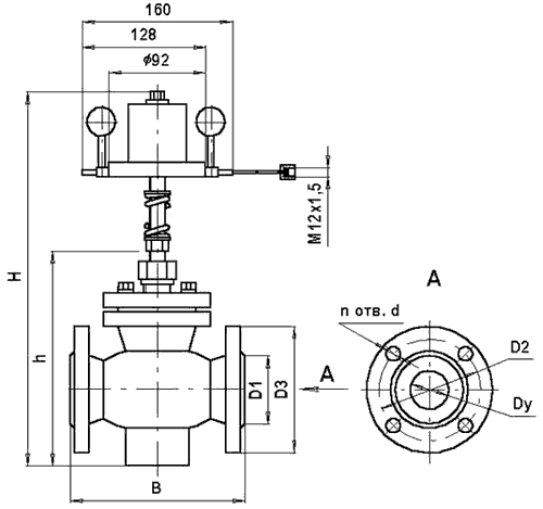
Габаритные и присоединительные размеры регуляторов РДС-НЗ, РДС-НО, РПДС

|
Dy, мм |
D1, мм |
D2, мм |
D3, мм |
B, мм |
H, мм |
h, мм |
d, мм |
n, шт |
Масса, кг |
|
15 |
47 |
65 |
95 |
130 |
390 |
165 |
14 |
4 |
6,5 |
|
20 |
58 |
75 |
105 |
150 |
7,7 |
||||
|
25 |
68 |
85 |
115 |
160 |
405 |
180 |
8,5 |
||
|
32 |
78 |
100 |
135 |
180 |
445 |
223 |
18 |
11,0 |
|
|
40 |
88 |
110 |
145 |
200 |
450 |
225 |
14,0 |
||
|
50 |
102 |
125 |
160 |
230 |
490 |
269 |
20,0 |
||
|
65 |
122 |
145 |
180 |
290 |
500 |
276 |
26,0 |
||
|
80 |
133 |
160 |
195 |
310 |
510 |
286 |
37,0 |
||
|
100 |
158 |
180 |
215 |
350 |
540 |
440 |
8 |
52,0 |
|
|
125 |
184 |
210 |
245 |
400 |
650 |
530 |
75,0 |
||
|
150 |
212 |
240 |
280 |
480 |
730 |
520 |
92,0 |
Присоединительные размеры фланцев по ГОСТ 12815-80.
Принципиальные схемы включения регуляторов РДС-НЗ, РДС-НО, РПДС

РДC - сборка «НО» - регулятор давления
А) регулирование давления «после себя»
РДС - сборка «НЗ» - регулятор давления
Б) регулирование давления «до себя»
РПДС - сборка «НО» - регулятор расхода
В) регулирование расхода (перепада давлений)
Условные обозначения:
ФС - фильтр сетчатый;
КЗ1, КЗ2 - клапаны запорные;
КУ - клапан уравнительный;
РУ - расходное устройство;
→ - направление потока среды на корпусе регулятора;
Pu - импульсное давление.