БТ (серия 211, 010) термометр биметаллический общетехнический

Общетехнический биметаллический термометр БТ (серия 211) с осевым или радиальным присоединением применяется для измерения температуры жидкостей и газов в санитарных и отопительных установках, в системах вентиляции и кондиционирования.
Общетехнический специальный биметаллический накладной термометр БТ (серия 010) (термометр с пружиной) используется для измерения температуры поверхности трубы.
Область применения термометров БТ (серия 211, 010):
- системы кондиционирования, водоснабжение, теплоснабжение (при измерении температуры агрессивных сред термометрами БТ серии 211 рекомендуется комплектовать термометр гильзой из нержавеющей стали).
Принцип действия БТ (серия 211, 010)
Принцип действия термометров БТ (сер. 211, 010) основан на зависимости деформации чувствительного элемента от измеряемой температуры. В качестве чувствительного элемента используется биметаллическая пружина, которая изготавливается из двух прочно соединённых металлических пластин, имеющих различные температурные коэффициенты линейного расширения.
В термометрах БТ серии 211 при изменении температуры пружина изгибается и вращает стрелку термометра. Один конец пружины закреплён внутри штока, а к другому присоединяется ось стрелки.
В термометрах БТ серии 010 при изменении температуры пружина изгибается и вращает стрелку термометра (биметаллическая пружина навита вокруг оси контактного элемента, а стрелка закреплена непосредственно на биметалле).
Корпус термометров БТ (серия 211, 010) изготавливается из коррозионностойкой стали, а шток термометров серии 211 - из нержавеющей стали.
Технические характеристики общетехнических биметаллических термометров БТ серии 211 и серии 010
|
Наименование |
Тип присоединения |
Диаметр корпуса, мм |
Класс точности |
Диапазоны показаний температур, °С |
Длина погружной части, мм |
|
БТ-31.211 |
осевое |
63 |
2,5 |
от -40 до +60 |
46, 64, 100, 150, 200, 250 |
|
БТ-41.211 |
80 |
1,5 |
|||
|
БТ-51.211 |
100 |
1,5 |
|||
|
БТ-71.211 |
150 |
1,5 |
|||
|
БТ-32.211 |
радиальное |
63 |
2,5 |
от -30 до +70 |
46, 64, 100, 150, 200, 250, 300 |
|
БТ-52.211 |
100 |
1,5 |
|||
|
БТ-30.010 |
накладное (на пружине) |
63 |
2,5 |
от 0 до +60 |
- |
Общие технические характеристики биметаллических биметаллических термометров БТ серии 211 и серии 010
|
Характеристики |
Значения |
|
Рабочая температура (температура окружающей среды), °С |
от -10 до +60 |
|
Степень защиты БТ (серия 211, 010) |
IP43 |
|
Корпус |
коррозионностойкая сталь |
|
Кольцо |
коррозионностойкая сталь, байонетное (для Ø63 - запрессованное) |
|
Шток (серия 211) |
нержавеющая сталь |
|
Чувствительный элемент |
биметаллическая спираль |
|
Циферблат БТ (серия 211, 010) |
алюминий, шкала чёрная на белом фоне |
|
Стекло |
инструментальное |
|
Резьба присоединения: |
|
|
- на гильзе (для БТ серии 211) |
G½ или M20×1,5 |
|
- для БТ серии 010 |
стальная спиральная пружина для крепления на трубе диаметром от 20 до 80 мм |
|
Рабочее давление на гильзе (для БТ серии 211), МПа (кгс/см²): |
25 (250) |
|
Регулировка: |
|
|
- БТ-31.211, БТ-41.211, БТ-51.211, БТ-71.211 |
на штоке (для Ø63) или на корпусе с тыльной стороны |
|
- БТ-32.211, БТ-52.211 |
на штоке |
|
Межпроверочный интервал, лет: |
|
|
- при диапазоне измерений от +20 до +100 °С, от +20 до +140 °С |
3 |
|
- для всех остальных диапазонов |
2 |
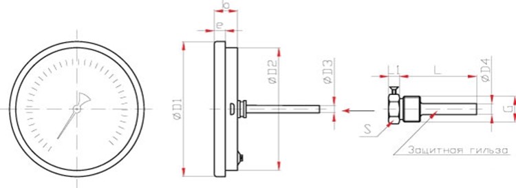
Габаритные размеры и масса БТ (серия 211), осевое присоединение (Ø80, 100, 150 мм)

Габаритные размеры и масса БТ (серия 211), осевое присоединение (Ø63 мм)

|
Ø |
D1 |
D2 |
e |
b |
D3 |
S |
L1 |
L |
D4 |
G |
Вес |
|
63 |
63 |
- |
- |
10 |
6 |
19 |
9 |
46, 64, 100, 200 |
9 |
G½ или M20×1,5 |
0,13 |
|
80 |
81 |
74 |
9 |
18 |
6 |
19 |
9 |
46, 64, 100, 150, 200, 250 |
9 |
0,17 |
|
|
100 |
107 |
99 |
9 |
18 |
6 |
19 |
9 |
46, 64; 100, 150, 200, 250 |
9 |
0,21 |
|
|
150 |
161 |
148 |
16 |
20 |
6 |
19 |
9 |
64, 100, 150, 200, 250 |
9 |
0,47 |
Габаритные размеры и масса БТ (серия 211), радиальное присоединение

|
Ø |
D1 |
D2 |
D3 |
D4 |
e |
b |
f |
L |
L1 |
S |
G |
Вес |
|
63 |
69 |
63 |
6 |
9 |
11 |
38 |
8 |
46, 64, 100, 150 |
10 |
19 |
G½ или M20×1,5 |
0,15 |
|
100 |
110 |
100 |
6 |
9 |
15 |
50 |
10 |
46, 64, 100, 150, 200, 250, 300 |
10 |
19 |
0,31 |
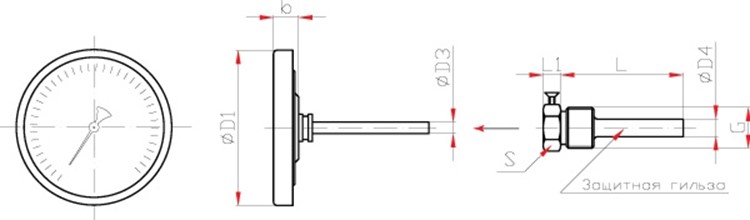
Габаритные размеры БТ (серия 010)

Форма заказа БТ (серия 211), осевое присоединение
|
Тип |
биметаллический термометр |
БТ |
|
Диаметр корпуса |
63 мм |
3 |
|
80 мм |
4 |
|
|
100 мм |
5 |
|
|
150 мм |
7 |
|
|
Присоединение |
осевое |
1 |
|
Материал штока |
нержавеющая сталь |
2 |
|
Материал корпуса и кольца |
коррозионностойкая сталь |
1 |
|
Материал гильзы |
латунь |
1 |
|
Диапазон показаний |
- |
-40…+60 °C |
|
0…+60 / 100 / 120 / 160 / 200 / 250 / 350 / 450 °C |
||
|
Резьба присоединения |
- |
G½ |
|
М20×1,5 |
||
|
Длина погружной части |
- |
46 / 64 / 100 / 150 / 200 / 250 |
|
Класс точности |
80, 100, 150 мм |
1,5 |
|
63 мм |
2,5 |
Форма заказа БТ (серия 211), радиальное присоединение
|
Тип |
биметаллический термометр |
БТ |
|
Диаметр корпуса |
63 мм |
3 |
|
100 мм |
5 |
|
|
Присоединение |
радиальное |
2 |
|
Материал штока |
нержавеющая сталь |
2 |
|
Материал корпуса и кольца |
коррозионностойкая сталь |
1 |
|
Материал гильзы |
латунь |
1 |
|
Диапазон показаний |
- |
-30…+70 °C |
|
0…+60 / 100 / 120 / 160 / 200 / 250 / 300 / 350 / 450 °C |
||
|
Резьба присоединения |
- |
G½ |
|
М20×1,5 |
||
|
Длина погружной части |
- |
46 / 64 / 100 / 150 / 200 / 250 / 300 мм |
|
Класс точности |
63 мм |
2,5 |
|
100 мм |
1,5 |
Пример обозначения:
БТ - 51. 2 1 1 (0-120 °C) G½. 64. 1,5
|
БТ- |
5 |
1. |
2 |
1 |
1 |
(0-120 °C) |
G½. |
64. |
1,5 |
|
термометр |
диаметр 100 мм |
осевое присоединение |
материал штока - нержавеющая сталь |
материал корпуса и кольца - коррозионностойкая сталь |
материал гильзы - латунь |
диапазон показаний |
резьба присоединения |
длина погружной части |
класс точности |
Форма заказа БТ (серия 010)
|
Тип |
биметаллический термометр |
БТ |
|
Диаметр корпуса |
63 мм |
3 |
|
Присоединение |
на пружине |
0 |
|
Материал штока |
нет |
0 |
|
Материал корпуса и кольца |
коррозионностойкая сталь |
1 |
|
Материал гильзы |
без гильзы |
0 |
|
Диапазон показаний |
- |
0…+60 / 100 / 120 / 150 °C |
|
Класс точности |
- |
2,5 |