Регулятор температуры RT-820-М

Регулятор температуры предназначен для контроля и поддержания заданного температурного режима путём включения-выключения нагревательной (охлаждающей) установки по сигналам выносного датчика температуры: в помещениях, овощехранилищах, системах водяного отопления и т. п., а также в качестве комплектующего изделия в устройствах автоматики.
Принцип работы:
В зависимости от выполняемой задачи исполнительное устройство (нагреватель или охладитель) подключаются к определённым контактам выходного реле. При достижении заданной на панели прибора температуры происходит выключение нагревателя (охладителя). Например, в случае нагрева при снижении температуры в контролируемой зоне ниже заданной контакты исполнительного реле замыкаются включается нагреватель. По достижении заданной температуры контакты исполнительного реле размыкаются и нагреватель отключается. При понижении температуры на величину установленного гистерезиса контакты реле замыкаются, и нагреватель включается снова. Недопускается использование датчика KTY 10-6 в электропроводящих жидкостях.

Датчик температуры заключён в отрезок термоусаживаемой трубки, поставляется с проводом длиной 2,5 м сечением 0,5 см2 в двойной изоляции. Клеммы подключения датчика изолированы от сети питания и контактов исполнительного реле
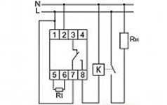
Монтаж:
1. выключить питание
2. установить регулятор температур RT-820 в распределительном щите на DIN-рейке.
3. провода питания подключить к зажимам 1 и 2 (зажим 1 - фаза, зажим 2 - ноль).
4. нагревательную/охлаждающую установку подключить к зажимам 2 и 8 или 2 и 3 в зависимости от значения поддерживаемой температуры.
5. датчик температуры установить в зоне контроля и подключить к зажимам 5 и 6
Технические данные:
|
Параметр |
RT-820 |
|
Напряжение питания на входе: |
от 150 до 264 В AC/DC |
|
Максимальный коммутируемый ток: |
16А, АС1 |
|
Контакт: |
1P (1 переключающий) |
|
Диапазон регулируемых температур: |
+4 - +30°С |
|
Датчик температуры: |
полупроводниковый, KTY 10-6 |
|
Длинна провода с датчиком: |
2,5м |
|
Сигнализация питания: |
зеленый светодиод |
|
Сигнализация включения нагрузки: |
жёлтый светодиод |
|
Гистерезис: |
+0,5 - +3°С |
|
Рабочая температура: |
от -25°С до +50°С |
|
Потребляемая мощность: |
1,1 Вт |
|
Степень защиты: регулятора |
IP40 |
|
Коммутационная износостойкость: |
>105 |
|
Размеры: |
35x63x90 мм |
|
Подключение: |
винтовые зажимы 2,5 мм2 |
|
Тип корпуса: |
2S |
|
Монтаж: |
на DIN-рейке 35мм |