Датчик гидростатического давления САПФИР 22 ДГ

Датчик САПФИР 22 ДГ используют в системах АСУТП для измерения гидростатического давления топлива, воды, жидкостей, газа или пара, что позволяет контролировать расход и уровень этих сред, а также для непрерывной передачи измеряемых значений в виде стандартного выходного токового сигнала на вторичную аппаратуру регистрации данных либо исполнительные механизмы МЭО. Гидростатический датчик уровня САПФИР 22ДГ состоит из двух основных компонентов – тензорезистивный датчик с мембраной и электронное устройство обработки данных. Принцип действия датчика САПФИР-22-ДГ напоминает датчик дифференциального давления. Датчик гидростатического давления САПФИР-22 ДГ измеряет давление столба жидкости, воды, топлива и преобразует данный параметр в значение уровня. При этом не важен для САПФИРа ДГ объем емкости, в которой происходит замер, а также ее форма, так как значение гидростатического давления может варъироваться только от изменения уровня и плотности жидкости. Сам процесс измерения у САПФИР 22 ДГ выглядит таким образом – на одну камеру, подсоединенную к резервуару, подают давление среды, а другая камера соединяется с избыточным давлением (при закрытом резервуаре под давлением) или соединяется с атмосферой (при открытой емкости, в случае отсутствия избыточного давления). Эффективное применение гидростатического уровнемера САПФИР22ДГ возможно при проведении замеров однородных жидкостей и в резервуарах, где практически не происходит движение рабочей среды.
В зависимости от перепада давления существует несколько моделей САПФИР 22 ДГ, которые между собой также отличаются конструкцией измерительного блока. При потребности в датчике гидростатического давления с диапазоном от 0…6,0кПа до 0…40кПа выбирают датчик САПФИР 22 ДГ 2530, а при потребности от 0…2,5кПа до 0…10кПа заказывают датчик САПФИР 22 ДГ 2520.
Технические характеристики и модельный ряд датчика гидростатического давления САПФИР 22 ДГ
|
МодельСАПФИР 22 ДГ ХХХХ |
Верхний предел измерений |
Максимальное давление контролируемой среды |
Габаритные размеры САПФИР 22 ДГ ХХХХ, в мм. |
Класс точности, +-% |
|
САПФИР 22 ДГ 2520 |
2,5 кПа |
4 мПа |
258x190x195 |
Основной 0,25% или 0,5% возможна дополнительная погрешность, вызванная воздействием электромагнитных помех, % от диапазона изменения выходного сигнала +-2% |
|
4 кПа |
||||
|
6 кПа |
||||
|
10 кПа |
||||
|
САПФИР 22 ДГ 2530 |
6 кПа |
4 мПа |
258x190x195 |
|
|
10 кПа |
||||
|
16 кПа |
||||
|
25 кПа |
||||
|
40 кПа |
||||
|
САПФИР 22 ДГ 2531 |
6 кПа |
10 мПа |
185x296x230 |
|
|
10 кПа |
||||
|
16 кПа |
||||
|
25 кПа |
||||
|
40 кПа |
||||
|
САПФИР 22 ДГ 2540 |
40 кПа |
4 мПа |
258x190x195 |
|
|
60 кПа |
||||
|
100 кПа |
||||
|
160 кПа |
||||
|
250 кПа |
||||
|
САПФИР 22 ДГ 2541 |
100 кПа |
10 мПа |
185x296x230 |
|
|
160 кПа |
||||
|
250 кПа |
Гидростатический датчик САПФИР 22 ДГ является аналоговым и может перенастраиваться внутри модели на любой из диапазонов значений верхнего предела измерений. Датчики САПФИР 22 ДГ изготавливаются в бщепромышленном исполнении, взрывозащищенном САПФИР 22 ДГ ВН искробезлпасном САПФИР 22 ДГ ЕХ, и атомном исполнении САПФИР 22 ДГ ВН А, САПФИР 22 ДГ ВН АС2, САПФИР 22 ДГ ВН АС3. При этом датчики гидростатического давления атомного исполнения САПФИР 22 ДГ могут быть и во взрывозащищенном исполнении и в общепромышленном. Производство САПФИР 22 ДГ осуществляется заводом – изготовителем на основании ТУ 25-02.100431-2007.
Для оформления заявки и заказа САПФИР 22 ДГ приводим пример записи параметров датчика ниже:
САПФИР 22 ДГ ВН 2540 11 Т3 0,25% 60кПа 42 К1/4 Пл, где
ВН – исполнение САПФИР 22 ДГ во взрывонепроницаемой оболочке
2540 – модель согласно таблице выше
11 – материал мембраны из титанового сплава, материал фланцев и дренажных пробок из нержавеющей стали
Т3 – климатическое исполнение Т категории 3 обозначает работу САПФИР 22 ДГ в окружающей среде при температуре -10 + 55°С, или по спецзаказу -20+80°С.
0,25 – класс точности прибора САПФИР 22 ДГ в %
60кПа – верхний предел измерения САПФИР 22 ДГ согласно таблице выше
42 – код выходного токового стандартного сигнала САПФИР 22 ДГ в диапазоне 4-20мА
К1/4 – комплектация САПФИРа 22 ДГ монтажным фланцем с присоединительной резьбой типа 1/4 дюйма
Пл – конструктив основного варианта установки САПФИР-22-ДГ, предполагающий размещение его на плите.
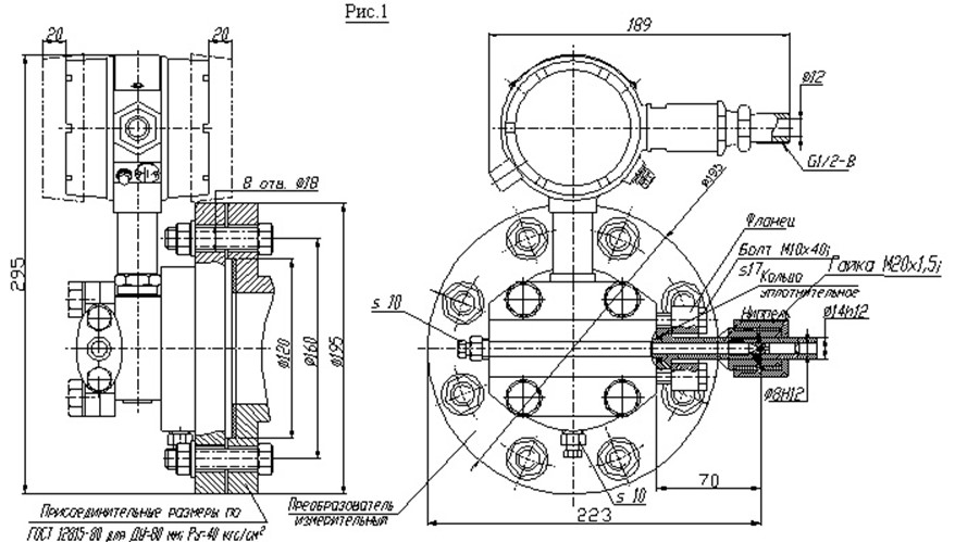
Габаритные и присоединительные размеры преобразователей гидростатического давления САПФИР 22 ДГ 2520, 2530, 2540 с установленным ниппелем
Габаритные и присоединительные размеры преобразователей гидростатического давления САПФИР 22 ДГ 2530, 2540, 2520 с установленным ниппелем под накидную гайку М20х1,5
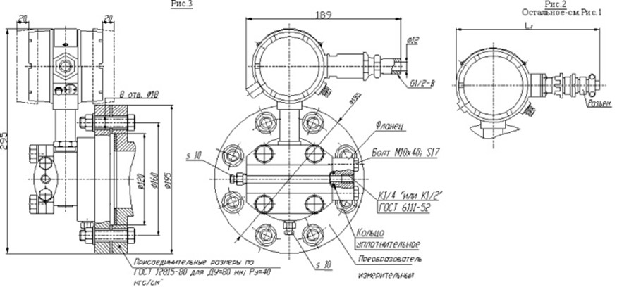
Габаритные и присоединительные размеры преобразователей гидростатического давления САПФИР 22 ДГ 2540, 2530, 2520 с установленным фланцем


