ДАТЧИК ДАВЛЕНИЯ МТ100
ДАТЧИК ДАВЛЕНИЯ МТ100 ( МТ100Р, МТ100R, МТ100РR)
Аналогичные преобразователи "Кристалл-22"
Описание прибора:
Датчики давления МТ 100 (в дальнейшем - датчики), предназначены для непрерывного пропорционального преобразования давления нейтральных и агрессивных, в том числе коагулирующих, сред (жидкостей и газов) в унифицированный токовый выходной сигнал.
Датчики работают с показывающей и регистрирующей аппаратурой, регуляторами и другими устройствами автоматики, в том числе в системах автоматического контроля, регулирования и управления технологическими процессами взрывобезопасных и взрывоопасных производств, а также на объектах атомной энергетики (ОАЭ).
Датчики выпускаются по техническим условиям ТУ 4212-005-00226218-2004.
По устойчивости к климатическим воздействиям датчики имеют исполнения по ГОСТ 15150-69:
У2* - для pаботы пpи темпеpатуpе от минус 30 до 50 °С;
У2** - для pаботы пpи темпеpатуpе от минус 50 до 80 °С;
УХЛ3. 1* и Т3* - для pаботы пpи темпеpатуpе от 5 до 50 °С;
УХЛ3. 1** и Т3** - для pаботы пpи темпеpатуpе от минус 10 до 80 °С;
Относительная влажность окpужающего воздуха до 95 % пpи 35 °С.
Датчики имеют исполнения:
-
взpывозащищённое с видом взpывозащиты "искpобезопасная электpическая цепь ia" и уpовнем взpывозащиты "особовзрывобезопасный" (О). Маркировка по взрывозащите "OExiaIIСТ5 Х" (все модели, за исключением моделей 11229-11239);
-
взрывозащищенное с видом взрывозащиты "взрывонепроницаемая оболочка" (d) и уровнем взрывозащиты "взрывобезопасный" (1); маркировка по взрывозащите "1ЕхdIIВТ5" (модели 11229-11239); невзрывозащищенное - все модели за исключением моделей 11229-11239.
Степень защиты от воздействия воды и пыли - IP55 по ГОСТ 14254-96.
Датчики, предназначенные для работы на ОАЭ, выпускаются только в невзрывозащищенном исполнении
Сокращенное наименование датчиков и измеряемый параметр указаны в табл. 1
Сокращенное наименование датчика
Измеряемый параметр
Датчик МТ100Р
Избыточное давление
Датчик МТ100R
Разрежение
Датчик МТ100PR
Избыточное давление и разрежение
ОСНОВНЫЕ ТЕХНИЧЕСКИЕ ХАРАКТЕРИСТИКИ
Наименования датчиков, модели, диапазоны (пределы) измерений, давления перегрузки, исполнения по материалам, контактирующим с измеряемой средой, указаны в табл. 2, 3, 4.
Верхний предел измерений датчиков МТ100Р или МТ100R равен диапазону измерений.
Нижний предел измерений датчиков всех моделей равен нулю
Пределы допускаемой основной погрешности датчиков ± 0,25; ± 0,5; ± 1,0 % диапазона измерений.
Межповерочный интервал 2 года для датчиков с пределом основной погрешности ± 0,25 % и 3 года для остальных датчиков.
Датчики МТ100Р (избыточное давление)
Сокращенное наименование датчика
Модель
Единица давления
Диапазон измерений
Допускаемое давление перегрузки
Исполнение по материалам (табл. 4)
предельное
рабочее
1
2
3
4
5
6
7
Датчик МТ100Р
14123
кПа
16; 25; 40; 60 (63)
250
02, 09
14124
кПа
25; 40; 60 (63); 100
400
02, 09
14125
кПа
40; 60 (63); 100; 160
630
02, 09
14126
кПа
60 (63); 100; 160; 250
1000
02, 09
14127
кПа
100; 160; 250; 400
1600
02, 09
14128
кПа
160; 250; 400; 600 (630)
2500
02, 09
11029 11229
МПа
0,25; 0,4; 0,6 (0,63); 1,0
1,6
1,25
11, 12, 17
11030 11230
МПа
0,6 (0,63); 1,0; 1,6
2,5
2,0
11, 12, 17
11031
МПа
0,6 (0,63); 1,0; 1,6; 2,5
4,0
3,0
11, 12, 17
11231
0,6 (0,63); 1,0; 1,6; 2,5
11032 11232
МПа
1,0; 1,6; 2,5; 4,0
6,3
5,0
11, 12, 17
11033 11233
МПа
1,6; 2,5; 4,0; 6,0 (6,3)
10
8,0
11, 12, 17
11034 11234
МПа
2,5; 4,0; 6,0 (6,3);10
16
12,5
11, 12, 17
11035, 11235
МПа
4,0; 6,0 (6,3); 10;16
25
20
11, 12, 17
11036, 11236
МПа
10, 16, 25
40
30
11, 12, 17
11037, 11237
МПа
16, 25, 40
56
46
11, 12, 17
11038, 11238
МПа
25, 40, 60 (63)
80
72
11, 12, 17
11039, 11239
МПа
40, 60 (63), 100
125
ПО
11, 12, 17
Датчики МТ100PR (избыточное давление-разрежение)
Сокращенное наименование датчика
Модель
Единица давления
Верхние пределы измерений
Допускаемое давление перегрузки
Исполнение по материалам (табл. 4)
по разрежению (-)
по избыточному давлению (+)
предельное
рабочее
1
2
3
4
5
6
7
8
Датчик
МТ100PR
11029 11229
МПа
-0,1
+(0,15; 0,3; 0,5 (0,53); 0,9)
1,6
1,25
11; 12;17
11030 11230
+(0,5 (0,53); 0,9; 1,5)
2,5
2,0
11; 12;17
11031, 11231
+(0,5 (0,53); 0,9; 1,5; 2,4)
4,0
3,0
11; 12;17
11032, 11232
+(0,9; 1,5; 2,4; 3,9)
6,3
5,0
11, 12,17
Примечания к табл. 2,3
1. Наибольшее значение диапазона измерений разряжения для датчиков МТ100R моделей 14125, 14126 - 100 кПа.
2. Допускаемое рабочее давление перегрузки - давление, после воздействия которого не требуется дополнительная настройка. Исполнения 09 и 12 изготавливаются по отдельному заказу после согласования.
3. По требованию заказчика могут изготавливаться датчики с единицами давления кгс/м2, кгс/см2 и бар.
4. По отдельному заказу после согласования с заказчиком датчики могут поставляться с разделителем РМ, рукавом и заполняться разделительной жидкостью.
Oбозначение исполнения по материалам
Материал мембраны
Материал ниппеля, штуцера, фланца
02
Сплав 36НХТЮ
Сталь 12Х18Н10Т
09
Титан ВТ 1-0
Титановый сплав
11
Титановый сплав
Сталь 12Х18Н10Т
12
Титановый сплав
Титановый сплав
17
Титановый сплав
Углеродистая сталь с покрытием
Датчики МТ100Р моделей 14124, 14125 могут использоваться в качестве пневмоэлектропpеобpазователей. При этом диапазон измерений устанавливается равным 80 кПа (0,8 кгс/см2), т.е. от 20 до 100 кПа (от 0,2 до 1 кгс/см2).
Выходной сигнал 0-5, 4-20 мА.
Датчики взpывозащищённого исполнения с видом взpывозащиты "искpобезопасная электpическая цепь" изготавливаются только с выходным сигналом 4-20 мА.
Электрическое питание датчиков с видом взрывозащиты "искробезопасная электрическая цепь" осуществляется от блоков БПС-90, остальных датчиков - от блоков 4БП36
Электрическое питание датчиков с видом взрывозащиты "взрывонепроница-емая оболочка", а также невзрывозащищённых осуществляется от источника постоянного тока напряжением:(36 ± 0,72) В - для датчиков с выходным сигналом 0-5 Ма; от 15 до 42 В - для датчиков с выходным сигналом 4-20 Ма.
Hагpузочное сопpотивление датчиков при напряжении питания 36 В не более:
-
2.5кОм - для датчиков с выходным сигналом 0-5 мА;
-
1,0 кОм - для датчиков с выходным сигналом 4 - 20 мА.
Потребляемая мощность, не более 0,8 В-А.
Датчики имеют исполнения по материалам, контактирующим с измеряемой средой, указанные в табл. 4.
Масса датчика, не более:
-
1,0 кг - для моделей 11029 - 11039;
-
1.6-кг для моделей 11229 - 11239, 14123 - 14128
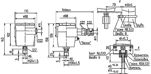
Состав комплекта монтажных частей
Модели
Код комплекта
Состав комплекта
11029-11039,
11229-11239,
14123-14128
Н1
Кронштейн, скоба, ниппель, гайка М20, прокладка, крепежные детали
Н2
Кронштейн, ниппель, гайка М20, прокладка, крепежные детали
Н3
Ниппель, гайка М20, прокладка
Схема составления условного обозначения датчиков:
Датчик МТ100PR
-Ех
-11031
<-11
-УХЛ3.1(5-50)
-0,25
-1,5МПа
-42
-Н1
1
2
3
4
5
6
7
8
1. Ех – «искробезопасная электрическая цепь», Вн – «взрывонепроницаемая оболочка»
2. Модель по табл. 2, 3
3. Обозначение исполнения по материалам по табл. 4
4. Обозначение климатического исполнения и диапазон температур
5. Предел допускаемой основной погрешности
6. Диапазон измерений с указанием единицы давления по табл. 2, 3. Для датчиков МТ100PR указывается верхний предел измерения избыточного давления по табл. 3
7. Код выходного сигнала: 05-(0-5) мА; 42-(4-20) мА
8. Код комплекта монтажных частей по табл. 5. Предоставляется только при заказе комплекта.
Комплект поставки:
-
МТ 100
-
Паспорт
-
Комплект монтажныж частей ( по спецификации)

